
簡介:
ZHD72水滴天線雷達物位計測量最大距離可達70米。天線被進一步優化處理,新型的快速的微處理器可以進行更高速率的信號分析處理,使得儀表可以用于如:反應釜或固體料倉非常復雜的測量條件。
原理
水滴天線雷達物位計天線發射較窄的微波脈沖,經天線向下傳輸,微波接觸到被測介質表面后被反射回來,再次被天線系統接收并將其傳輸給電子線路部分自動轉換成物位信號。(因為微波傳播速度極快,電磁波到達目標并經反射返回接收器這一來回所用的時間幾乎是瞬間的)
ZHD72水滴天線雷達物位計參數
應用:固體料、強粉塵、易結晶、結露場合
測量范圍:70米
過程連接:法蘭、萬向法蘭
介質溫度:-40~150℃
過程壓力:常壓
精??度:±3mm
頻率范圍:26GHz
防爆等級:Exd IIBT4 Gb
防護等級:IP67
信號輸出:4~20mA/HART(兩線/四線)
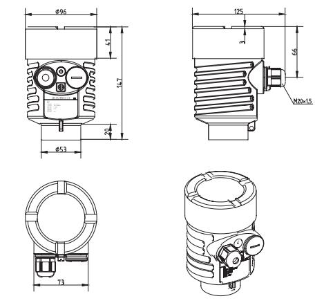
ZHD72水滴天線雷達物位計外型尺寸圖

ZHD72水滴天線雷達物位計安裝

ZHD72水滴天線雷達物位計選型
|
單元 |
參數 |
|
防爆 |
P標準型(非防爆) |
|
過程連接/材料 |
B法蘭DN80/不銹鋼304 |
|
天線形式/材料 |
B水滴天線/不銹鋼PTFE |
|
密封/過程溫度 |
V Viton/(-40~120)℃ |
|
電子單元 |
3 (4~20)mA/(24)V DC/HART兩線制 |
|
外殼/防護等級 |
L 鋁/IP67 |
|
電纜進線 |
M M20*1.5 |
|
特殊定制 |
Y 特殊定制 |
ZHD72水滴天線雷達物位計外殼尺寸

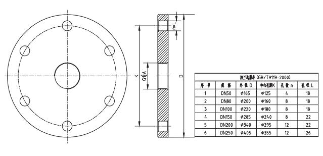
ZHD72水滴天線雷達物位計法蘭選型圖

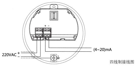
ZHD72水滴天線雷達物位計接線圖


