
YE-()B系列不銹鋼膜盒壓力表根據普通膜盒壓力表的結構原理選擇不銹鋼材質具有耐腐蝕的微壓測量儀表。不銹鋼膜盒壓力表的導壓系統及外殼均采用不銹鋼材料制成,應用于耐腐蝕要求較高的工藝流程中的各種氣體介質的微壓和副壓的測量。也可用于鍋爐通風、氣體管道、燃燒裝置等及其它設備上。
不銹鋼膜盒壓力表主要技術參數:
| 型 號 | 結構形式 | 量程范圍 KPa | 精度 % |
|
YE-100B YE-100BF YE-150B YE-150BF |
徑向無邊 |
0~1;1.6;2.5;4;6;10;16; 25;40;60;-1~0;-1.6~0; -2.5~0;-4-0;-6-0;-10-0; -16-0;-25-0;-40-0;-0.5~0.5; -0.8~0.8;-1.2~1.2;-2-2;-3-3; -5-5;-8-8;-12-12;-20-20; -30-30 |
±2.5 |
|
YE-100BZ YE-100BFZ YE-150BZ YE-150BFZ |
軸向無邊 | ||
|
YE-100BZT YE-100BFZT YE-150BZT YE-150BFZT |
軸向帶邊 |

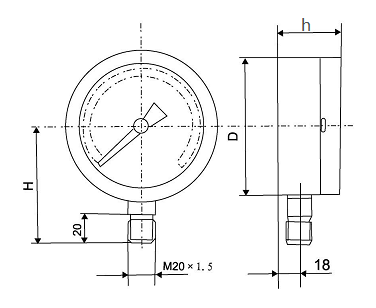
| 型 號 | 外型尺寸 mm | ||
| D | H | h | |
| YE-100B | 100 | 90 | 50 |
| YE-150B | 150 | 120 | 44 |